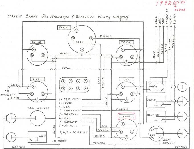
The label is worn out on one of my toggle switches (2nd one down). The wiring diagram I found on this site doesn't show that this particular switch exists. There is not an existing fuse in the associated fuse holder. It may just be an accessory. If so, I wonder what it used to do?? Can anyone help? Also, if anyone knows where to get repalcement label rings, that would be cool. I found a photo of a set of rings, but can't find where to get them.
X








Comment