I have checked out the numerous threads on this site with regard to the leaking ballast valves, but I have some questions that I didn't see addressed in any other thread. My 03 SAN does not have the helm valve controls. I have the ball valve cut-offs in the engine compartment, and one by the belly tank, and that is it. I don't recall what the brand of ballast pump, but I have two pumps per tank, one for filling and one for emptying. Maybe one of the previous owners reworked the ballast in this boat, but I found it odd that my boat didn't have the helm controls.
What I'd like to do is replace the six pumps I have now with three reversable pumps, one for each tank, and use them to both fill and drain the tanks. I definitely want to continue to use the stock CC keypad to run the ballast system. I'd like to try and model it after the factory ballast install in the 07 SV-211 that a friend of mine has. My thinking is to attach the fill hose to the lower inlet of the tanks that is currently used to drain the tanks, take the drain hose and attach it to the top inlet so that it will go through the thru-hull fitting overflow. For easy access, I can mount the pumps in the rear engine compartment or in one or both of the side compartments where the rear ballast tanks are.
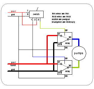
Has anyone else done this before? I think this set up would logically work, but my biggest question is how to wire a reversible pump into the existing switches so that when you depress the keypad and hold it would reverse the pumps and pump out. Any ideas would be appreciated, and my apologies in advance if this has been discussed in a previous thread.
What I'd like to do is replace the six pumps I have now with three reversable pumps, one for each tank, and use them to both fill and drain the tanks. I definitely want to continue to use the stock CC keypad to run the ballast system. I'd like to try and model it after the factory ballast install in the 07 SV-211 that a friend of mine has. My thinking is to attach the fill hose to the lower inlet of the tanks that is currently used to drain the tanks, take the drain hose and attach it to the top inlet so that it will go through the thru-hull fitting overflow. For easy access, I can mount the pumps in the rear engine compartment or in one or both of the side compartments where the rear ballast tanks are.
Has anyone else done this before? I think this set up would logically work, but my biggest question is how to wire a reversible pump into the existing switches so that when you depress the keypad and hold it would reverse the pumps and pump out. Any ideas would be appreciated, and my apologies in advance if this has been discussed in a previous thread.








Comment